由于该产品已进行多次功能升级和更新迭代,我们不保证BA310Met正置金相显微镜提供的图片和各项参数等信息均为最新,我们建议您点击此处联系我们的在线工程师为您服务,同时我们也欢迎您电话咨询:!
BA310Met正置金相显微镜 产品介绍
BA310Met是电子、金属材料、矿物、地质、精密工程等检查、分析及研究的必备仪器,适用于教学、科研、工业等领域。
采用同轴垂直照明系统,很好的消除了杂散光,从而大大提高成像的对比度(衬度)和清晰度。


BA310Met正置金相显微镜 特点
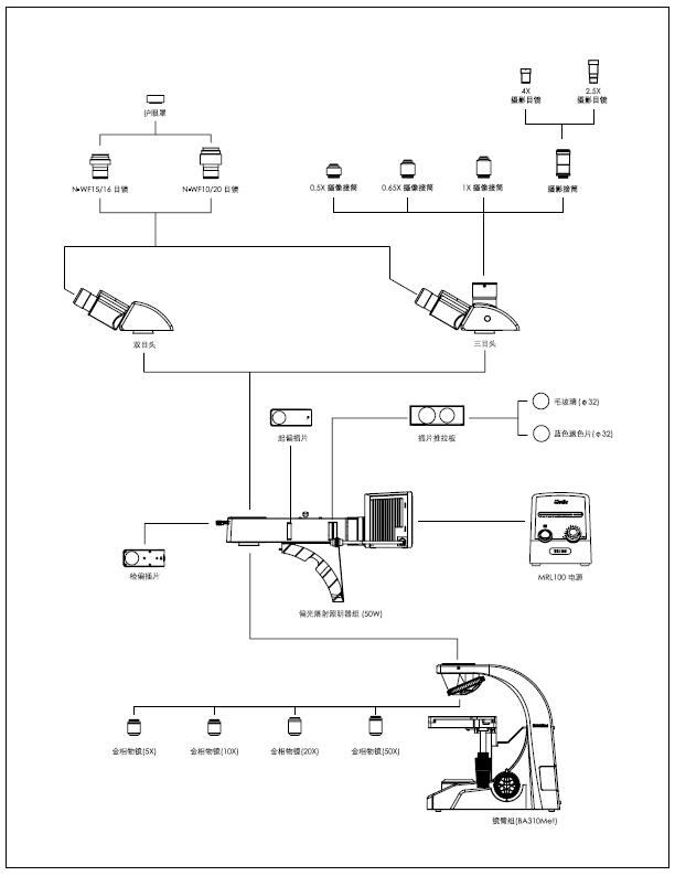
○ 目镜:标准配置的高眼点设计、带可折叠橡胶眼罩的N-WF10X/20目镜,目镜视度可调,使双 目观察更加容易,带可安装测量和计算用的分划板。另外,目镜筒上的卡槽设计,可将目镜锁紧定位,避免掉出,方便学生操作。


○ 观察筒:30度倾斜的铰链式镜筒,瞳距调节范围为55-75mm。即使长时间观察,也能确保使用者操作舒适,无疲劳感。

○ 落射偏光照明器组:12V/50W卤素灯为操作者提供充足亮度,以满足各种情况下的样本观察。带可变光栏装置、调中装置,保证视场照明均匀。可配偏光观察装置。

○ 物镜:高质量平场金相物镜:5X,10X,20X,50X,100X(选购)

○ 机械载物台:硬膜涂层表面,防腐、耐磨,面积180X140mm,行程75X50mm。

○ 粗微同轴:调焦行程为30mm,微调格值0.002mm,以保证充足的操作距离。

○ 防霉设计:防霉结构设计及加工过程的防霉处理,确保高温高湿环境下新产品使用性能的稳定性,并延长显微镜及其物镜的使用寿命。
○ 选购件:BA310Met拥有良好的扩充升级空间,不仅具备传统金相显微镜观察功能,还能进行显微摄影、摄像功能,偏光观察功能。

BA310Met正置金相显微镜 技术参数与规格
|
型号 |
BA310Met |
BA310Met-T |
|
总放大率 |
50X~500X(选购100X物镜,Zui高放大率为1000X) |
|
|
目镜 |
平场大视场,高眼点10X(FN20),视度可调节 |
|
|
物镜 |
无限远长工作距离平场物镜5X/0.13,10X/0.30,20X/0.40,50X/0.55,(选购100X/0.80) |
|
|
观察筒 |
铰链式双目镜筒30°;铰链式三目镜筒30°倾斜(分光比:20:80) |
|
|
双目镜筒瞳距 |
55~75mm |
|
|
样品Zui大厚度 |
30mm |
|
|
物镜转换器 |
内定位五孔物镜转换器 |
|
|
粗微动调焦装置 |
粗微同轴调焦,粗动调焦总行程30mm,微动调焦0.2mm /转,0.002mm / 格 |
|
|
机械移动载物台 |
独特的三层载物台设计,大面积:180X140mm; 行程:75X50mm;X、Y方向同轴调节。 |
尺寸:240mmx140mm, 移动范围:75x50mm玻璃台板(标配),切片台板(选配) |
|
照明 |
同轴落射照明系统12V/50W卤素灯 |
同轴落射照明系统12V/50W卤素灯,透射照明系统6V/30W卤素 |
|
滤色片 |
磨砂玻璃、蓝色滤色片、黄色滤色片、绿色滤色片 |
磨砂玻璃、蓝色滤色片、黄色滤色片、绿色滤色片(落射照明)、蓝色滤色片(透射照明) |
|
扩展功能 |
拥有良好的扩充升级空间,不仅具备传统金相显微镜观察功能,还能进行显微摄影、摄像功能,偏光观察功能 |
|
BA310Met尺寸图

BA310Met系统配置图

